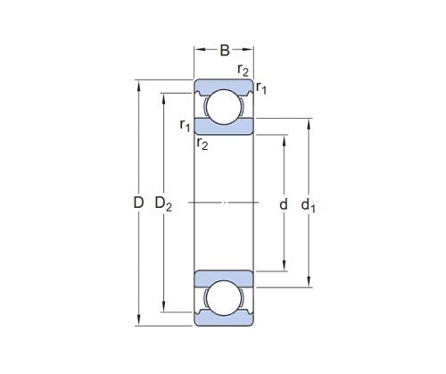
ตลับลูกปืนเม็ดกลมร่องลึก (Deep Groove Ball Bearings) เป็นตลับลูกปืนที่ได้รับความนิยมสูงที่สุดในงานอุตสาหกรรม เนื่องจากมีโครงสร้างเรียบง่าย แข็งแรง รองรับแรงในแนวรัศมี (Radial Load) และแรงตามแนวแกน (Axial Load) ได้ทั้งสองทิศทาง เหมาะสำหรับการใช้งานที่ต้องการความเร็วรอบสูง เสียงรบกวนต่ำ และอายุการใช้งานยาวนาน
เนื่องจากบริษัท ไทยภาสิทธิ์ จำกัด เป็นตัวแทนจำหน่ายของแบรนด์ SKF และNTN จึงสามารถคัดสรรตลับลูกปืนคุณภาพสูง จากผู้ผลิตมาตรฐานสากล ครอบคลุมทั้งรุ่นแบบเปิด (Open Type), แบบมีฝาปิดโลหะ (2Z) และแบบซีลยาง (2RS1 , 2RSH) รองรับการใช้งานในหลากหลายอุตสาหกรรม
ทำไมต้องเลือกตลับลูกปืนจากเรา
- ได้รับของแท้ 100% เราเป็นตัวแทนแต่งตั้งจาก SKF และ NTN
- ให้คำปรึกษาโดยผู้เชี่ยวชาญด้านตลับลูกปืน และงาน Maintenance
- ช่วยเลือกตลับลูกปืนให้เหมาะกับ โหลด ความเร็ว และสภาพแวดล้อม
- รองรับงาน ติดตั้ง วิเคราะห์ปัญหา และปรับปรุงอายุการใช้งาน
- มีบริการด้าน Vibration Analysis / Alignment / Lubrication
Related Products

Deep groove ball bearings with open cover

Deep groove ball bearings with steel covers

Deep groove ball bearings with rubber seals

Stainless steel deep groove ball bearings

Double row deep groove ball bearings
ลูกปืนเม็ดกลมร่องลึกฝาเปิด
ลูกปืนเม็ดกลมร่องลึกฝาเปิด ขนาดรูใน 3 mm – 1500 mm



